Skip to main content Skip to footer

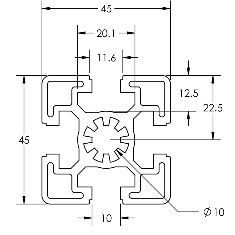
TS45-45 HB

Image of 670031 Image Image of 670031 Dimension Image of 670131 Image

This 45mm shape has a thicker wall that will accommodate heavier applications than the 45mm x 45mmL. Applications include machine frames, workstations, shop carts, tables and machine retrofits.

SELECT PRODUCT VARIATION BELOW TO ADD TO RFQ

Product Variations

Item # Series Finish Length List Price/Per Inch Qty. Add to RFQ
670031

45
Clear
239"
0.943
670131

45
Black
239"
1.024