Skip to main content Skip to footer

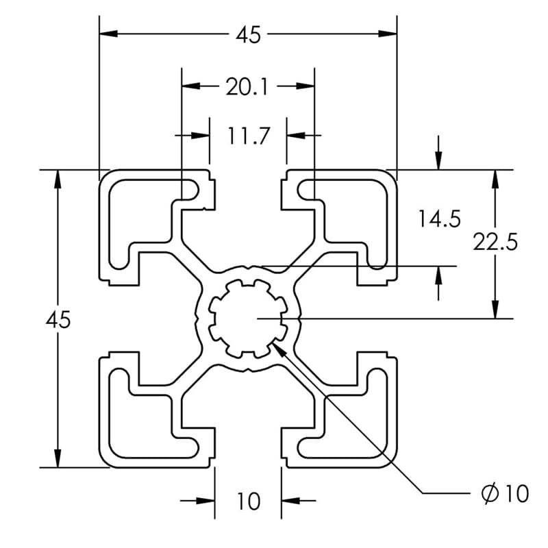
TS45-45 LB

Image of 670030 Image Image of 670030 Dimension Image of 670130 Image Image of 670230 Image

This 45mmL shape was designed for lighter weight and strength requirements. Applications include lighter load bearing structures, guarding and light weight frames.

SELECT PRODUCT VARIATION BELOW TO ADD TO RFQ

Product Variations

Item # Series Finish Length List Price/Per Inch Qty. Add to RFQ
670030

45
Clear
239"
0.704
670130

45
Black
239"
0.849
670230

45
Yellow
144"
1.308