Skip to main content Skip to footer

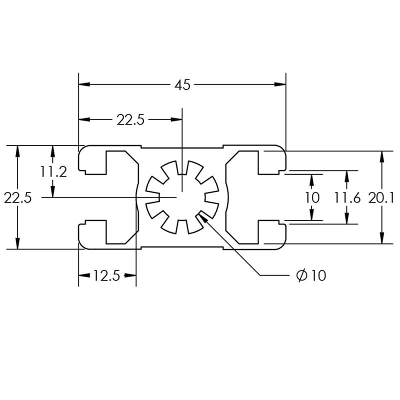
TS22.5-45 B

Image of 670067 Image Image of 670067 Dimension Image of 670167 Image

The 22.5mm x 45mm extrusion is ideal for machine guarding, sound enclosures, small load work benches, display racks and panel mount racks.

SELECT PRODUCT VARIATION BELOW TO ADD TO RFQ

Product Variations

Item # Series Finish Length List Price/Per Inch Qty. Add to RFQ
670067

45
Clear
239"
0.988
670167

45
Black
239"
1.032