Skip to main content Skip to footer

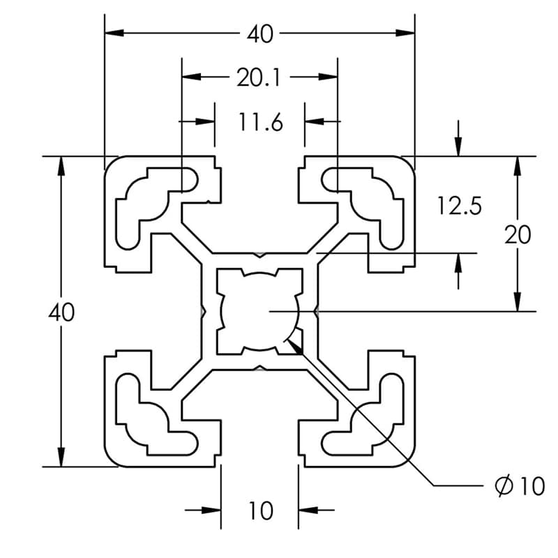
TS40-40 LB

Image of 670076 Image Image of 670076 Dimension Image of 670176 Image

The 40mm x 40mmL shape was designed for lighter weight and strength requirements. Applications include lighter load bearing structures, guarding and light weight frames.

SELECT PRODUCT VARIATION BELOW TO ADD TO RFQ

Product Variations

Item # Series Finish Length List Price/Per Inch Qty. Add to RFQ
670076

40
Clear
239"
0.682
670176

40
Black
239"
0.776