Skip to main content Skip to footer

TS80-80LB

Image of 670077 Image Image of 670077 Dimension

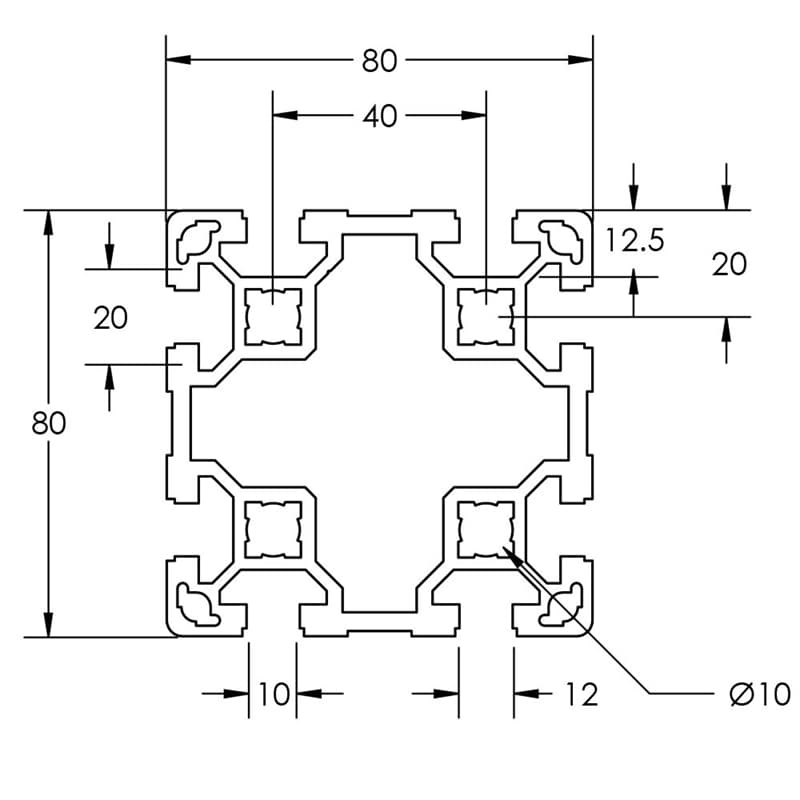
This 80mm x 80mm shape was designed for applications include lighter load bearing structures, guarding and light weight frames.

SELECT PRODUCT VARIATION BELOW TO ADD TO RFQ

Product Variations

Item # Series Finish Length List Price/Per Inch Qty. Add to RFQ
670077

40
Clear
239"
1.939