Skip to main content Skip to footer

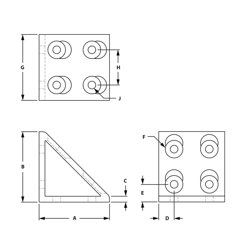
8 HOLE VERTICAL INSIDE CORNER GUSSET

Image of 8 Hole Vertical Inside Corner Gusset Image of Draw-8 Hole Vertical Inside Corner Gusset

8 hole corner gusset doesn’t require any machining and can be positioned anywhere along the t-slotted bar. The 8 hole corner gusset engages the 2-degree lock feature for tightening assembly hardware

SELECT PRODUCT VARIATION BELOW TO ADD TO RFQ

Product Variations

Item # Series Finish A B C D E F G H J List Price Qty. Add to RFQ
664000

40
Clear
76.20mm
76.20mm
6.35mm
18.00mm
20.00mm
19.00mm
76.00mm
40.00mm
6.35mm
14.429
664100
40
Black
76.20mm
76.20mm
6.35mm
18.00mm
20.00mm
19.00mm
76.00mm
40.00mm
6.35mm
17.565