Skip to main content Skip to footer

REMOVEABLE PANEL PLATE

Image of Removable Panel Plate Image of Draw-Removable Panel Plate

Anodized aluminum 15 S Removable Panel Plate fastening method connects two extrusion profiles together at a parallel connection. This 15 S Removable Panel Plate doesn’t require any machining and engages the 2-degree lock feature for tightening assembly hardware

SELECT PRODUCT VARIATION BELOW TO ADD TO RFQ

Product Variations

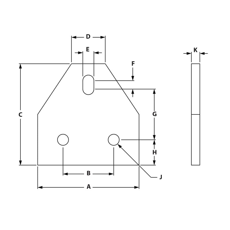
Item # Series Finish Recommended Fasteners # 1 A B C D E F G H J K List Price Qty. Add to RFQ
681443

15
Clear
651700
3.000"
1.500"
3.000"
1.000"
.328"
.250"
1.500"
.750"
.328"
.250"
16.197