Skip to main content Skip to footer

8 HOLE HORIZONTAL INSIDE CORNER BRACKET

Image of 8 Hole Horizontal Inside Corner Bracket Image of Draw-8 Hole Horizontal Inside Corner Bracket

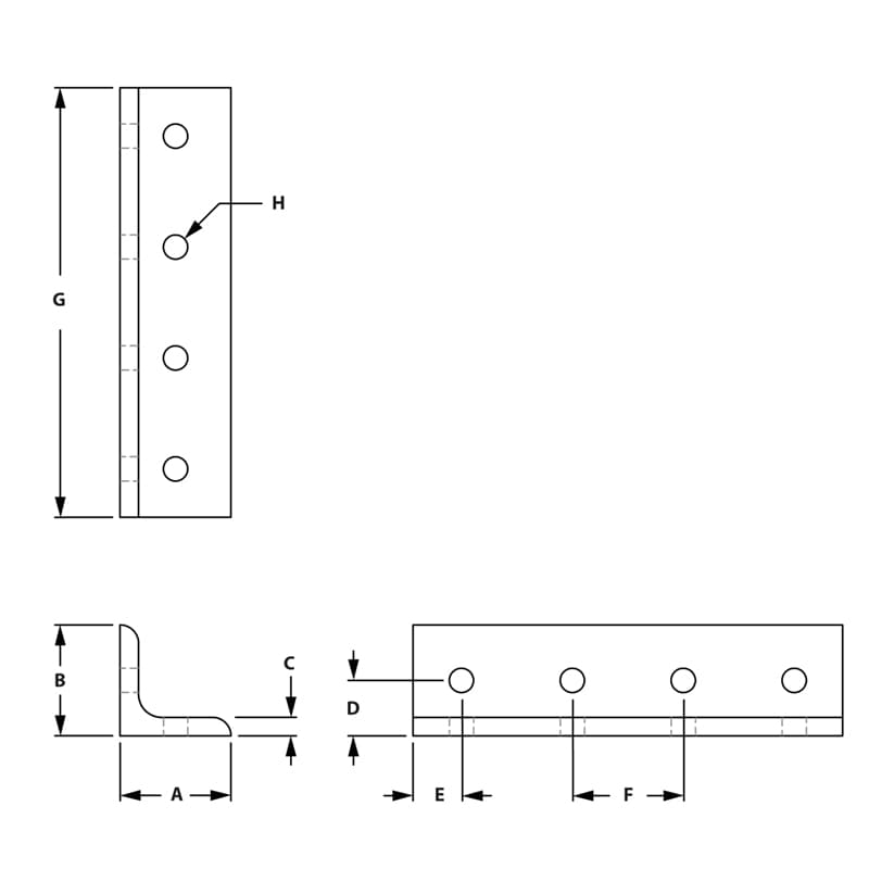
Anodized aluminum 8 hole corner bracket fastening method connects two extrusion profiles together at a 90-degree connection. This 8 hole corner bracket doesn’t require any machining and engages the 2-degree lock feature for tightening assembly hardware

SELECT PRODUCT VARIATION BELOW TO ADD TO RFQ

Product Variations

Item # Series Finish Recommended Fasteners # 1 A B C D E F G H List Price Qty. Add to RFQ
653294

15
Clear
651129
1.500"
1.500"
.250"
.750"
.655"
1.500"
5.810"
.328"
16.999