Skip to main content Skip to footer

7 HOLE CROSS PLATE

Image of 7 Hole Cross Plate Image of Draw-7 Hole Cross Plate

Anodized aluminum 10S 7 Hole Crossing Joining Plate fastening method connects two extrusion profiles together at a 90-degree connection. This 7 Hole Crossing Joining Plate doesn’t require any machining and engages the 2-degree lock feature for tightening assembly hardware

SELECT PRODUCT VARIATION BELOW TO ADD TO RFQ

Product Variations

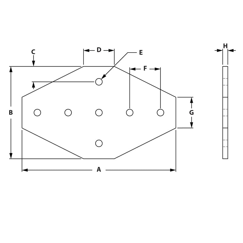
Item # Series Finish Recommended Fasteners # 1 A B C D E F G H List Price Qty. Add to RFQ
653072

10
Clear
651171
4.500"
3.000"
.500"
1.000"
.257"
1.000"
1.000"
.188"
15.334
653168

15
Clear
651129
7.500"
4.500"
.750"
1.500"
.328"
1.500"
1.500"
.250"
16.673