Skip to main content Skip to footer

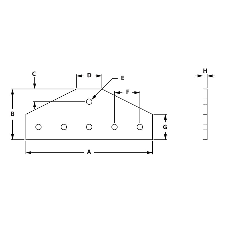
6 HOLE TEE JOINING PLATE

Image of 6 Hole Tee Joining Plate Image of Draw-6 Hole Tee Joining Plate

Anodized aluminum 15 S 6 Hole Tee Joining Plate fastening method connects two extrusion profiles together at a 90-degree connection. This 15 S 6 Hole Tee Joining Plate doesn’t require any machining and engages the 2-degree lock feature for tightening assembly hardware

SELECT PRODUCT VARIATION BELOW TO ADD TO RFQ

Product Variations

Item # Series Finish Recommended Fasteners # 1 A B C D E F G H List Price Qty. Add to RFQ
653144

15
Clear
651129
7.500"
3.000"
.750"
1.500"
.328"
1.500"
1.500"
.250"
12.345