Skip to main content Skip to footer

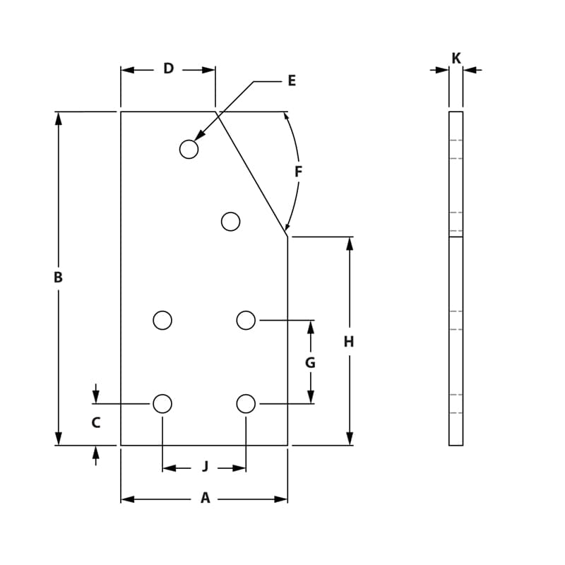
6 HOLE 60° ANGLE JOINING PLATE

Image of 6 Hole 60 Degree Joining Plate Image of Draw-6 Hole 60 Degree Joining Plate

Anodized aluminum 15 S 6 Hole 60 Deg. Angle Joining Plate fastening method connects two extrusion profiles together at a 60-degree connection. This 15 S 6 Hole 60 Deg. Angle Joining Plate doesn’t require any machining and engages the 2-degree lock feature for tightening assembly hardware

SELECT PRODUCT VARIATION BELOW TO ADD TO RFQ

Product Variations

Item # Series Finish Recommended Fasteners # 1 A B C D E F G H J K List Price Qty. Add to RFQ
653194

15
Clear
651129
3.000"
6.000"
.750"
1.701"
.328"
60°
1.500"
3.750"
1.500"
.250"
10.622