Skip to main content Skip to footer

5 HOLE "L" CUT OUT

Image of 5 Hole L Cut Out Plate Image of Draw-5 Hole L Cut Out Plate

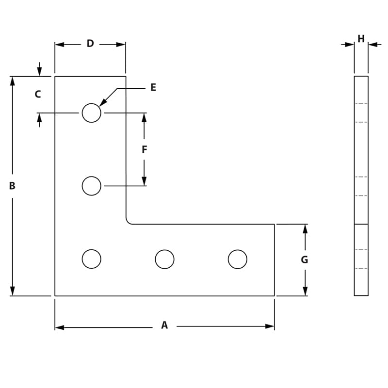
Anodized aluminum 15 S 5 Hole “L” Joining Plate fastening method connects two extrusion profiles together at a 90-degree connection. This 15 S 5 Hole “L” Joining Plate doesn’t require any machining and engages the 2-degree lock feature for tightening assembly hardware

SELECT PRODUCT VARIATION BELOW TO ADD TO RFQ

Product Variations

Item # Series Finish Recommended Fasteners # 1 A B C D E F G H List Price Qty. Add to RFQ
658136

15
Clear
651129
4.500"
4.500"
.750"
1.460"
.328"
1.500"
1.460"
.250"
11.787
658213

10
Clear
651171
3.000"
3.000"
.500"
.971"
.257"
1.000"
.971"
.188"
20.420