Skip to main content Skip to footer

4 HOLE HORIZONTAL INSIDE CORNER GUSSET

Image of 4 Hole Horizontal Inside Corner Gusset Image of Draw-4 Hole Horizontal Inside Corner Gusset

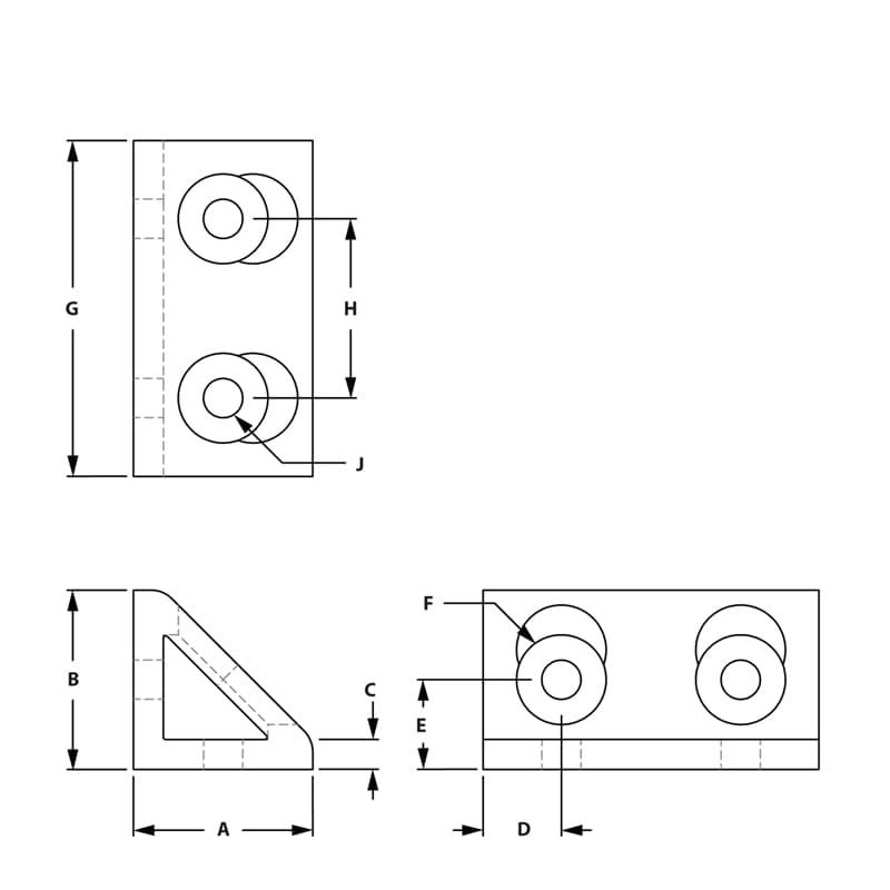
Anodized aluminum 4 hole horizontal inside corner gusset fastening method connects two extrusion profiles together at a 90-degree connection. This 4 hole horizontal inside corner gusset doesn’t require any machining and engages the 2-degree lock feature for tightening assembly hardware,

SELECT PRODUCT VARIATION BELOW TO ADD TO RFQ

Product Variations

Item # Series Finish Recommended Fasteners # 1 A B C D E F G H J List Price Qty. Add to RFQ
653071

10
Clear
651171
1.000"
1.000"
.188"
.438"
.500"
.500"
1.875"
1.000"
.281"
8.414
653167

15
Clear
651129
1.500"
1.500"
.250"
.655"
.750"
.750"
2.810"
1.500"
.328"
9.357
654167

15
Black
651129
1.500"
1.500"
.250"
.655"
.750"
.750"
2.810"
1.500"
.328"
10.553