Skip to main content Skip to footer

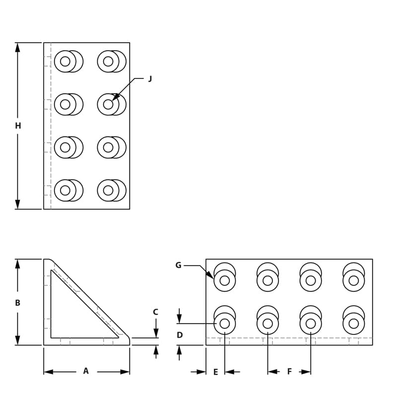
16 HOLE INSIDE CORNER GUSSET

Image of 16 Hole Inside Corner Gusset Image of Draw-16 Hole Inside Corner Gusset

Anodized aluminum 16 hole corner gusset fastening method connects two extrusion profiles together at a 90-degree connection. This 16 hole corner gusset doesn’t require any machining and engages the 2-degree lock feature for tightening assembly hardware

SELECT PRODUCT VARIATION BELOW TO ADD TO RFQ

Product Variations

Item # Series Finish Recommended Fasteners # 1 A B C D E F G H J List Price Qty. Add to RFQ
653292

15
Clear
651129
3.000"
3.000"
.250"
.750"
.655"
1.500"
.750"
5.810"
.328"
43.485