Skip to main content Skip to footer

4 HOLE JOINING PLATE

Image of 4 Hole Joining Plate Image of Draw-4 Hole Joining Plate

Anodized aluminum 4 hole joining plate fastening method connects two extrusion profiles together at a 90-degree connection. This 4 hole joining plate doesn’t require any machining for tightening assembly hardware

SELECT PRODUCT VARIATION BELOW TO ADD TO RFQ

Product Variations

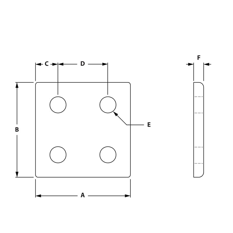
Item # Series Finish Recommended Fasteners # 1 A B C D E F List Price Qty. Add to RFQ
671692

30
Clear
651706
57.00mm
57.00mm
13.50mm
30.00mm
7.00mm
5.00mm
7.537
671693

45
Clear
651708
86.00mm
86.00mm
20.50mm
45.00mm
9.00mm
6.00mm
11.094