Skip to main content Skip to footer

5 HOLE 90° JOINING PLATE

Image of 5 Hole 90 Degree Joining Plate Image of Draw-5 Hole 90 Degree Joining Plate

This 5 hole Joining Plate doesn’t require any machining and can be positioned anywhere along the t-slotted bar. The 5 hole plate engages the 2-degree lock feature for tightening assembly hardware

SELECT PRODUCT VARIATION BELOW TO ADD TO RFQ

Product Variations

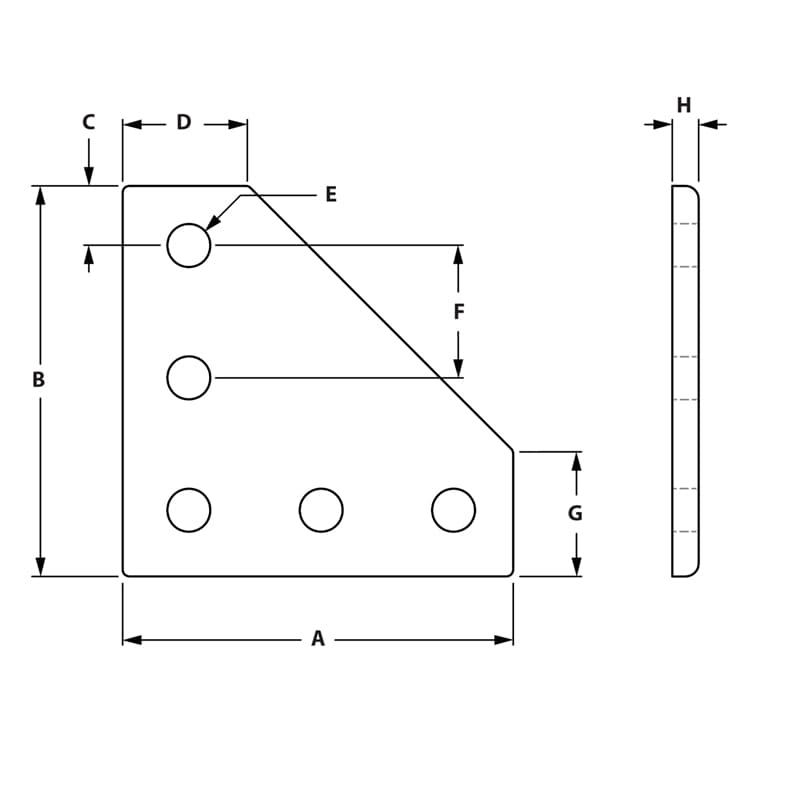
Item # Series Finish Recommended Fasteners # 1 A B C D E F G H List Price Qty. Add to RFQ
671696

30
Clear
651706
88.50mm
88.50mm
14.25mm
27.00mm
7.00mm
30.00mm
27.00mm
5.00mm
12.623
671697

45
Clear
651708
133.00mm
133.00mm
21.50mm
41.00mm
9.00mm
45.00mm
41.00mm
6.00mm
20.676