Skip to main content Skip to footer

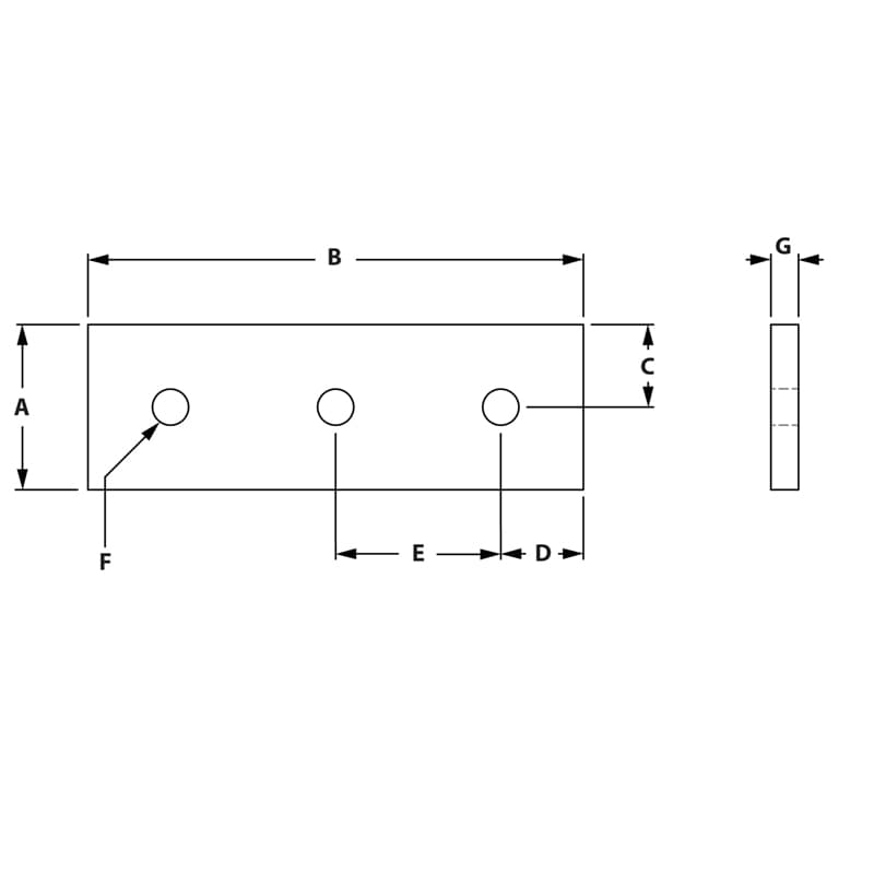
3 HOLE JOINING STRIP

Image of 3 Hole Joining Strip Image of Draw-3 Hole Joining Strip

This 3 hole Joining Strip doesn’t require any machining and can be positioned anywhere along the t-slotted bar.

SELECT PRODUCT VARIATION BELOW TO ADD TO RFQ

Product Variations

Item # Series Finish Recommended Fasteners # 1 A B C D E F G List Price Qty. Add to RFQ
699778
45
Clear
651708
38.10mm
129.00mm
19.05mm
19.50mm
45.00mm
8.33mm
6.35mm
7.708