Skip to main content Skip to footer

TS20-50

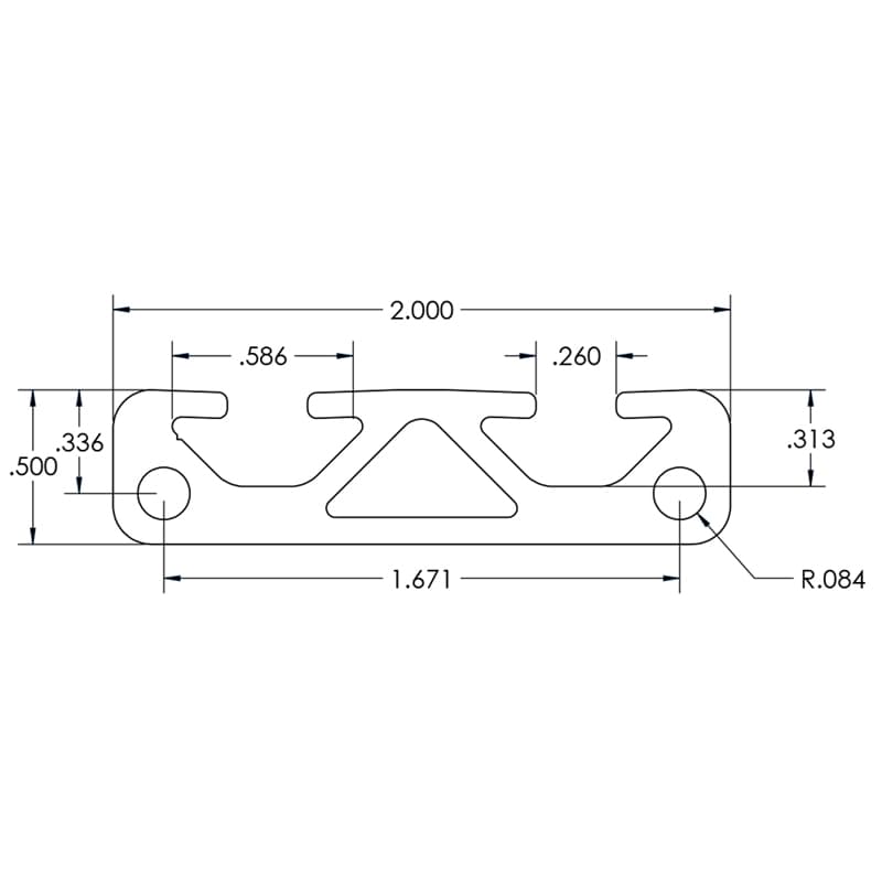
Image of 650011 Image Image of 650011 Dimension Image of 650111 Image

The 2" x .5" extrusion is a thinner profile that works well as a supporting profile or attached to a flat surface.

SELECT PRODUCT VARIATION BELOW TO ADD TO RFQ

Product Variations

Item # Series Finish Length List Price/Per Inch Qty. Add to RFQ
650011

10
Clear
145"
0.461
650111

10
Black
145"
0.677