Skip to main content Skip to footer

TS30-45 FG 40B

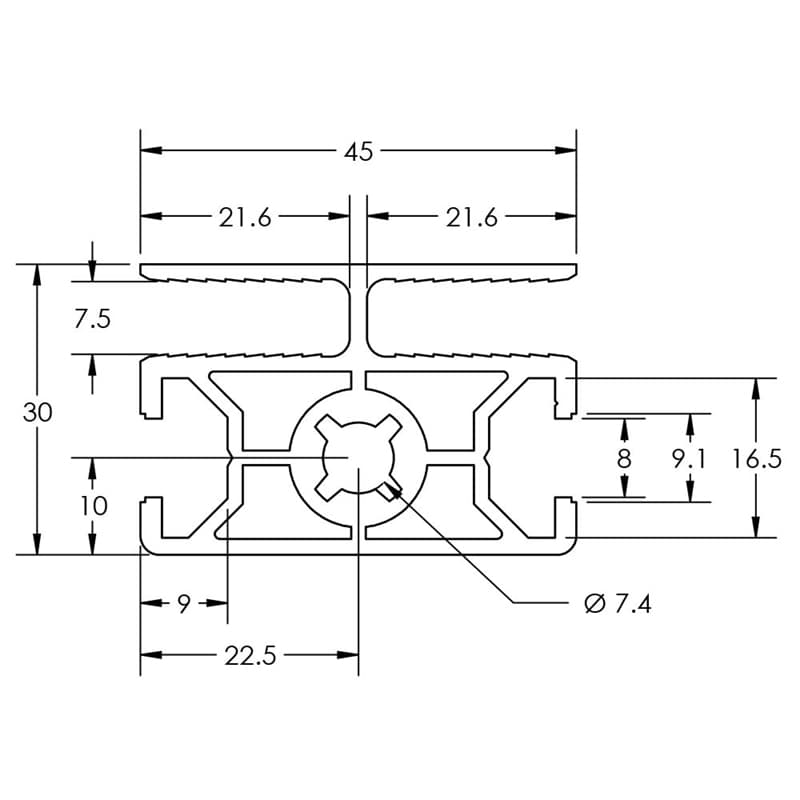
Image of 670074 Image Image of 670074 Dimension Image of 670174 Image

The 30mm FG 40B extrusion is ideal for applications where panels or mesh will be inserted. The panel slot reduces the need for extra hardware and for simple assembly.

SELECT PRODUCT VARIATION BELOW TO ADD TO RFQ

Product Variations

Item # Series Finish Length List Price/Per Inch Qty. Add to RFQ
670074

30
Clear
239"
0.588
670174

30
Black
239"
0.727