Skip to main content Skip to footer

TS30-45 FG 30B

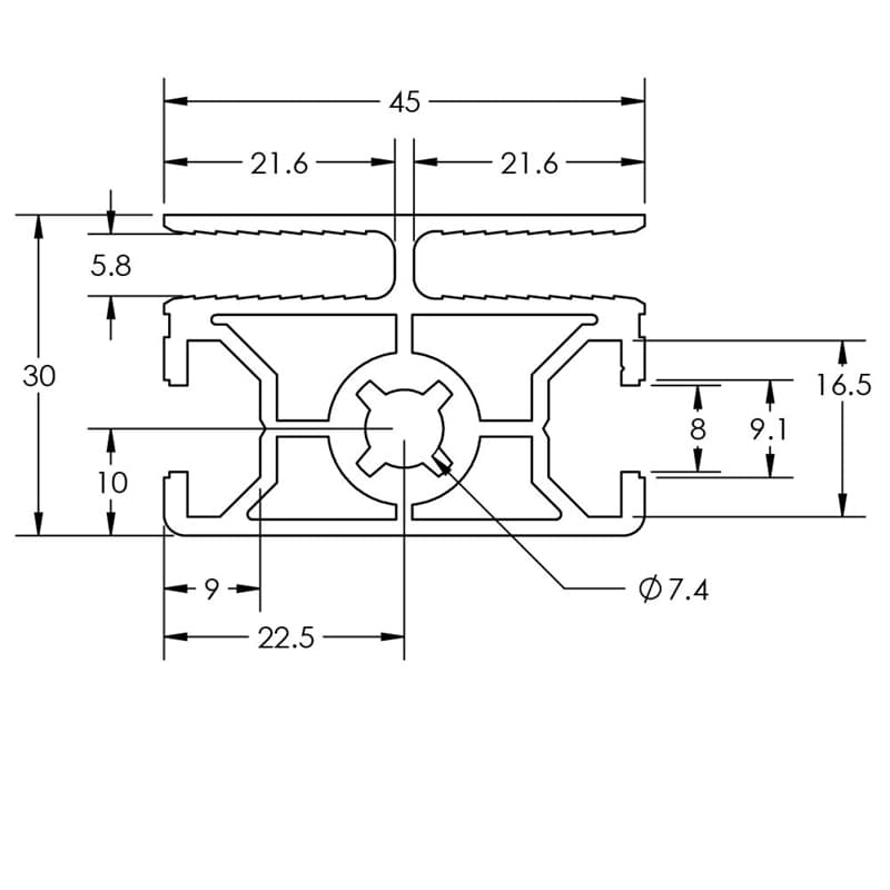
Image of 670071 Image Image of 670071 Dimension Image of 670171 Image

The 30mm FG 30B extrusion is ideal for applications where panels or mesh will be inserted. The panel slot reduces the need for extra hardware and for simple assembly.

SELECT PRODUCT VARIATION BELOW TO ADD TO RFQ

Product Variations

Item # Series Finish Length List Price/Per Inch Qty. Add to RFQ
670071

30
Clear
239"
0.606
670171

30
Black
239"
0.740