Skip to main content Skip to footer

TS30-30 FG 40B

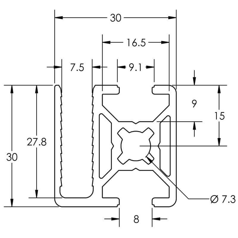
Image of 670072 Image Image of 670072 Dimension Image of 670172 Image

The 30mm FG 40B extrusion is ideal for applications where panels or mesh will be inserted. The panel slot reduces the need for extra hardware and for simple assembly.

SELECT PRODUCT VARIATION BELOW TO ADD TO RFQ

Product Variations

Item # Series Finish Length List Price/Per Inch Qty. Add to RFQ
670072

30
Clear
239"
0.507
670172

30
Black
239"
0.590