Skip to main content Skip to footer

TS30-30 FG 30B

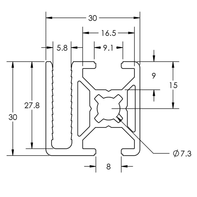
Image of 670070 Image Image of 670070 Dimension Image of 670170 Image

The 30mm FG 30B extrusion is ideal for applications where panels or mesh will be inserted. The panel slot reduces the need for extra hardware and for simple assembly.

SELECT PRODUCT VARIATION BELOW TO ADD TO RFQ

Product Variations

Item # Series Finish Length List Price/Per Inch Qty. Add to RFQ
670070

30
Clear
239"
0.550
670170

30
Black
239"
0.680