Skip to main content Skip to footer

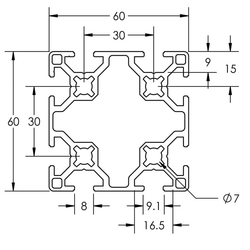
TS60-60 B 8 Slot

Image of 670018 Image Image of 670018 Dimension Image of 670118 Image

This 60mm shape was designed for applications include lighter load bearing structures, guarding and light weight frames.

SELECT PRODUCT VARIATION BELOW TO ADD TO RFQ

Product Variations

Item # Series Finish Length List Price/Per Inch Qty. Add to RFQ
670018

30
Clear
239"
1.430
670118

30
Black
239"
1.493