Skip to main content Skip to footer

TS30-90 B

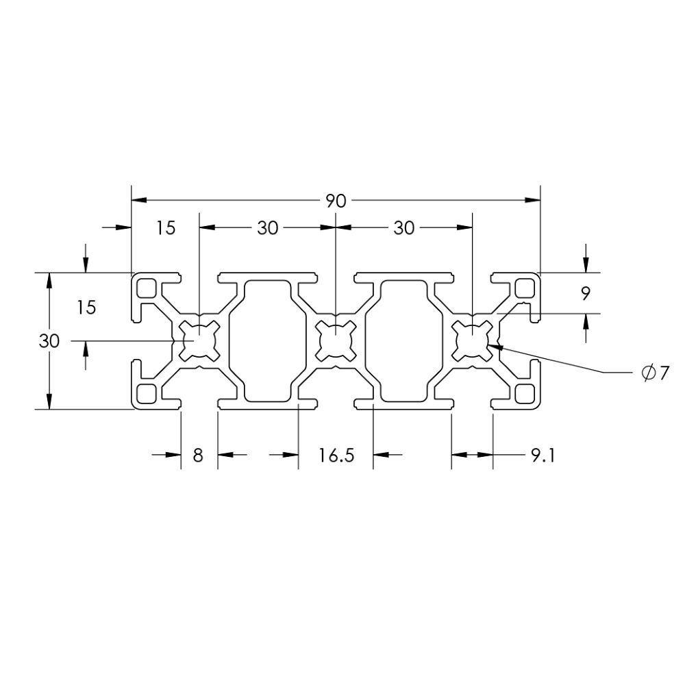
Image of 670020 Image Image of 670020 Dimension Image of 670120 Image

The 30mm x 90mm shape is designed for machine guarding, work benches, sound enclosures and mounting devices.

SELECT PRODUCT VARIATION BELOW TO ADD TO RFQ

Product Variations

Item # Series Finish Length List Price/Per Inch Qty. Add to RFQ
670020

30
Clear
239"
1.144
670120

30
Black
239"
1.366