Skip to main content Skip to footer

TS30-60 B

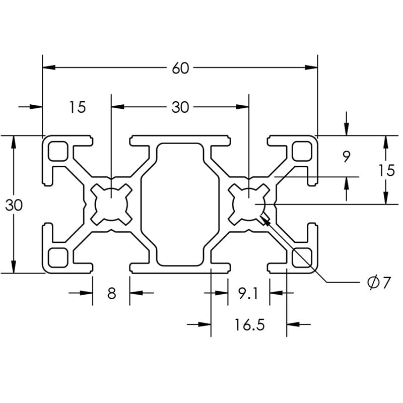
Image of 670017 Image Image of 670017 Dimension Image of 670117 Image

The 30mm x 60mm shape is designed for machine guarding, work benches, sound enclosures and mounting devices.

SELECT PRODUCT VARIATION BELOW TO ADD TO RFQ

Product Variations

Item # Series Finish Length List Price/Per Inch Qty. Add to RFQ
670017

30
Clear
239"
0.829
670117

30
Black
239"
0.968