Skip to main content Skip to footer

3 HOLE SMALL TRANSITION STRIP

Image of 3 Hole Small Transition Strip Image of Draw-3 Hole Small Transition Strip

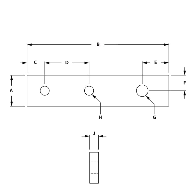
Anodized aluminum 10 S To 15 S 3 Hole Transition Strip fastening method connects two extrusion profiles together at a 90-degree connection. This 3 Hole Transition Strip doesn’t require any machining and engages the 2-degree lock feature for tightening assembly hardware

SELECT PRODUCT VARIATION BELOW TO ADD TO RFQ

Product Variations

Item # Series Finish Recommended Fasteners # 1 Recommended Fasteners # 2 A B C D E F G H J List Price Qty. Add to RFQ
653271

10 to 15
Clear
651171
651129
.875"
4.000"
.500"
1.250"
.750"
.438"
.328"
.257"
.250"
10.840